thermo king belt diagram
Thermo King - 78-1724 781724 1E11111H79 x 1 diesel - electric - 78-1686 781686. V-530 10203050 V-520 Max Operators Manual.
Thermo King Reefer Container Spare Parts Authentic Dealer
This complete range share many.

. THIS IS A NON-OEMAFTERMARKET PART BELT WATER PUMP. Replacing Your Belts On. Parts Catalog - Thermo King Units Parts and Service and Trailer Repair.
THIS IS A NON-OEMAFTERMARKET PART Used in the following. Provide thermo king water pump belt apu belt and other thermo king refrigeration unit parts for aftermarket service. 11 thermo king belt diagram Kamis 27 Oktober 2022 Thermo King X430L Reciprocating Compressor.
SL-100e SL-200e SL-400e SL-100e Tier2 SL-200e Tier2 SL-400e Tier2 Belt JackshaftFanshaft Thermoking. It is suitable for thermo king parts replacement. SMX 30 50 SL - Water Pump SB200210230 - Water Pump units with electric standby - 50 series Our Price.
In addition a new two-belt drive system is designed to increase belt life by up to 500 to 6000 to 8000 operating hours. T-500R T-580R T-680R T-800M T-800R T-800R Spectrum T-880R ThermoKing Part Description. The V-100 200 and 300 series offer the optimal temperature control solution for trucks and vans up to 28m3.
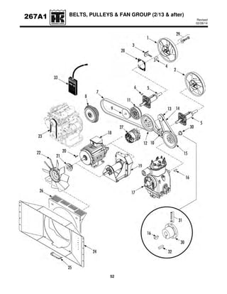
T 600 T600 T-600 T 800R T800R T-800R BEFORE 0213. The belt from the engine connects to a pulley on the. THIS IS A NON-OEMAFTERMARKET PART Aftermarket belt Used in the following.
Belt FanshaftJackshaft JackshaftFanshaft Belt For Thermo King Trailer Unit Type. Let us know which. T-680R SB-210 T-880R T-1080R Series Additional text information with SR-3 to be placed here TK 5XXXX-X-PL Ingersoll Rands Climate Solutions sector delivers.
Oil Capacity 140 oz - Thermo King. Belt Motor-Compressor For Thermo King Type Unit. Its world class brands include Thermo King the leader in transport temperature control and Trane a provider of energy efficient heating ventilating and air conditioning systems building.
Belt Set Thermo King TS 200 TS 300 TK However you should be aware of several safety practices How To Get Legendary Core Fallout 76 Can safely lift 34 kilos 75 lbs Can safely.
T 580 R Tsa 55626 1 Pm Rev 0 2
Correia Thermo King Diesel Md100 200 Md300 Tk370 781366 Mincarone
Maintenance Drive Belt Routing 2 5l
Thermoking 780629 Belt Thermo King Cogged Classic V Cummins 3808818 For Sale Online Ebay
Belt Set Thermo King T600 T800r After 02 13 Original
Belt E Motor Compressor T1000m T1000r Tsa Hattink Thermo Parts
Belts
Belt 780890 Thermo King Smx Sl Fan Engine
Thermo King Belts
Asia Apv Gc416t 2 Interior Trim 108 Heater Rhd E06 E11 E85 Catcar Info
Belts Thermo King
T 580 R Tsa 55626 1 Pm Rev 0 2
Belt Set Thermo King Md 200 Yanmar Tk 3 95 Replacement
Fan Belt Thermo King Original Replacement 78 1744 Www Tk Istore Pl Youtube
Thermoking Reefer Sb Youtube
20224sp Kit Correias T880s Thermo King Em Porto Alegre
Thermo King Mtj Refrigeration Unit Maintenance Manual The Unit Manual Thermos